Instant Mix
Ready-To-Eat Food (Instant Mix) Food Industry is the largest growing sector grabbing an essential place as a Convenience Food across the world.
By application type, it comprises of snacks mix, dessert mix and curry mix.
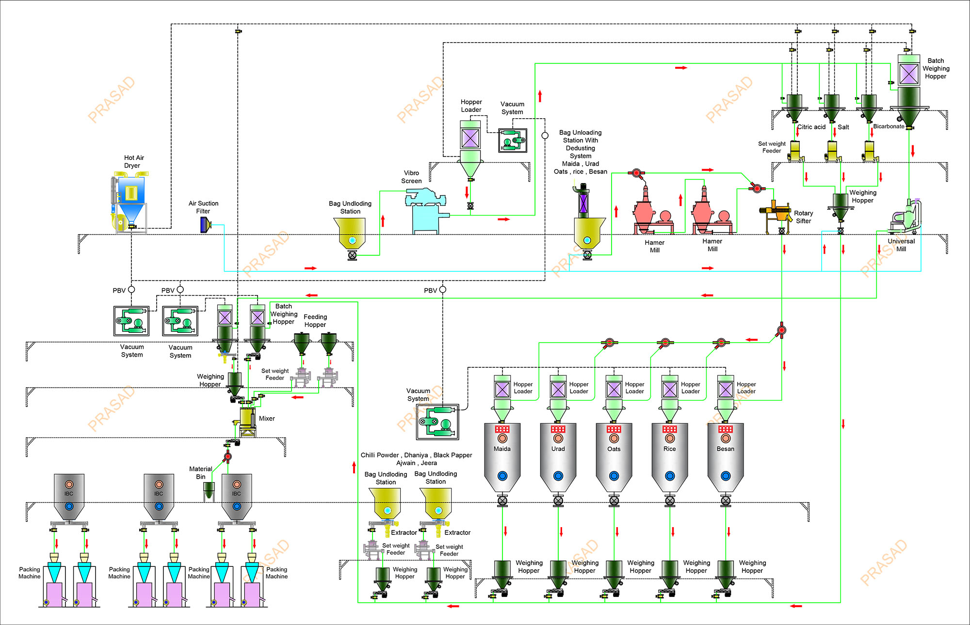
Prasad Pneucon's highly reliable material conveying system for Instant Mix leads to better sanitation, clean-ability, proper batch weighing, optimal blending & Storage. The key challenge to handle variety of products to be delivered to packaging line will give an ultra edge, where our Central Control & SCADA System provides minor documentation, printing, communication, alarms, logging, reporting, facilities.
By application type, it comprises of snacks mix, dessert mix and curry mix.
Prasad Pneucon's highly reliable material conveying system for Instant Mix leads to better sanitation, clean-ability, proper batch weighing, optimal blending & Storage. The key challenge to handle variety of products to be delivered to packaging line will give an ultra edge, where our Central Control & SCADA System provides minor documentation, printing, communication, alarms, logging, reporting, facilities.
Benefits & Technical Specifications
- No manpower required
- Recipe secrecy
- Complete closed loop conveying
- Single screen control
- Stainless steel - SS 304/316 construction
- Integrated with packaging machine